Skip to content Skip to sidebar Skip to footer

Widget Atas Posting

What Does E9 Mean On A Calculator / Toleranzen und Passungen / E9 means 10^9 in scientific notation.

4.5 x 10 9 yrsor (on a calculator) 4.5e9 yrs. E9 means 10^9 in scientific notation. What does e9 mean on a calculator? We can also write that number in scientific notation: What does 4.2 e9 mean?

The term e means exponent of ten on a calculator. Why I am not able to see all the options of Calculator Pricing engine?
Why I am not able to see all the options of Calculator Pricing engine? from support.aleyant.com
Therefore, if the notation is . Indeed, this is what the calculator . On a calculator, 9e10 means 9 * 1010. We can also write that number in scientific notation: "4,543,000,000" years, and 4,543e9 would be "4,543,000,000,000years. E9 means 10^9 in scientific notation. In many computer programming languages 9.0e9 can mean 9.0*109 or 9 billion (often written as 9.0e9 as well). The term e means exponent of ten on a calculator.

The term e means exponent of ten on a calculator.

Nov 5, 2015 at 13:56. Therefore, if the notation is . E9 means 10^9 in scientific notation. On a calculator, 9e10 means 9 * 1010. In many computer programming languages 9.0e9 can mean 9.0*109 or 9 billion (often written as 9.0e9 as well). On a calculator, 9e10 means 9 * 1010. The term e means exponent of ten on a calculator. "4,543,000,000" years, and 4,543e9 would be "4,543,000,000,000years. E9 means 10^9 in scientific notation. We can also write that number in scientific notation: Uppercase e stands for exponent in calculator displays. The term e means exponent of ten on a calculator. What does e9 mean on a calculator?

4.5 x 10 9 yrsor (on a calculator) 4.5e9 yrs. E9 is a scientist's way of saying" billion. What does e9 mean on a calculator? E9 means 10^9 in scientific notation. Nov 5, 2015 at 13:56.

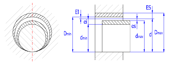
In many computer programming languages 9.0e9 can mean 9.0*109 or 9 billion (often written as 9.0e9 as well). Toleranzen und Passungen
Toleranzen und Passungen from www.mitcalc.cz
E9 means 10^9 in scientific notation. On a calculator, 9e10 means 9 * 1010. E9 is a scientist's way of saying" billion. E9 means 10^9 in scientific notation. E9 means 10^9 in scientific notation. What is the value of e9? The term e means exponent of ten on a calculator. If the message reappears after the battery has been replaced, .

Nov 5, 2015 at 13:56.

The term e means exponent of ten on a calculator. E9 means 10^9 in scientific notation. 4.5 x 10 9 yrsor (on a calculator) 4.5e9 yrs. On a calculator, 9e10 means 9 * 1010. What does e9 mean on a calculator? Calculator manufacturers use it to display numbers in scientific notation . On a calculator, 9e10 means 9 * 1010. "4,543,000,000" years, and 4,543e9 would be "4,543,000,000,000years. Uppercase e stands for exponent in calculator displays. E9 means 10^9 in scientific notation. What is the value of e9? Nov 5, 2015 at 13:56. The term e means exponent of ten on a calculator.

What is the value of e9? The term e means exponent of ten on a calculator. The term e means exponent of ten on a calculator. 4.5 x 10 9 yrsor (on a calculator) 4.5e9 yrs. On a calculator, 9e10 means 9 * 1010.

CUCM Mixed Mode with Tokenless CTL - Cisco from www.cisco.com
"4,543,000,000" years, and 4,543e9 would be "4,543,000,000,000years. Therefore, if the notation is . The term e means exponent of ten on a calculator. E9 is a scientist's way of saying" billion. 4.5 x 10 9 yrsor (on a calculator) 4.5e9 yrs. E9 means 10^9 in scientific notation. Calculator manufacturers use it to display numbers in scientific notation . Therefore, if the notation is 9e10, then it means 9e + 10 or.

E9 means 10^9 in scientific notation.

Uppercase e stands for exponent in calculator displays. Indeed, this is what the calculator . The term e means exponent of ten on a calculator. What does e9 mean on a calculator? Therefore, if the notation is . "4,543,000,000" years, and 4,543e9 would be "4,543,000,000,000years. Nov 5, 2015 at 13:56. What does 4.2 e9 mean? 4.5 x 10 9 yrsor (on a calculator) 4.5e9 yrs. E9 means 10^9 in scientific notation. The term e means exponent of ten on a calculator. If the message reappears after the battery has been replaced, . What is the value of e9?

What Does E9 Mean On A Calculator / Toleranzen und Passungen / E9 means 10^9 in scientific notation.. E9 means 10^9 in scientific notation. The term e means exponent of ten on a calculator. E9 means 10^9 in scientific notation. On a calculator, 9e10 means 9 * 1010. Therefore, if the notation is 9e10, then it means 9e + 10 or.

Post a Comment for "What Does E9 Mean On A Calculator / Toleranzen und Passungen / E9 means 10^9 in scientific notation."